英飞凌 BTS3080TF演示板产品介绍
发布时间:2022-10-11 11:19:00 阅读量:844
导读:英飞凌科技公司于1999年4月1日在德国慕尼黑正式成立,是全球领先的半导体公司之一。其前身是西门子集团的半导体部门,于1999年独立,2000年上市。其中文名称为亿恒科技,2002年后更名为英飞凌科技。
简介
英飞凌 BTS3080TF演示板设计用于评估BTS3080TF高度集成温度保护MOSFET (HITFET™) 开关的特性和性能。该演示板已包含安装在其上面的BTS3080TF开关,设有用于OUT、IN和GND引脚的连接器。BTS3080TF演示板能够驱动一个12V电阻性、电容性或电感性负载。该演示板符合RoHS指令,工作电源电压范围为6V至31V。
![]()
特性
评估BTS3080TF HITFET™开关的特性和性能。
BTS3080TF开关安装在板上,设有用于OUT、IN和GND引脚的连接器。
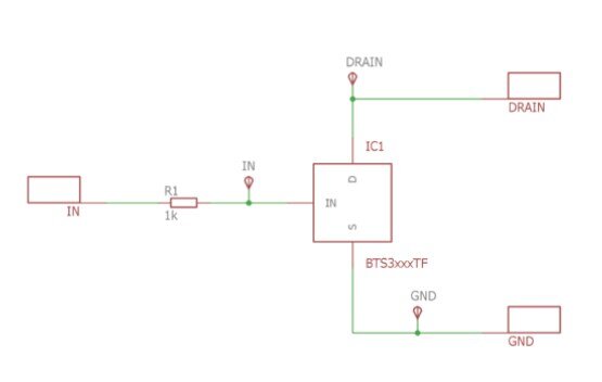
原理图

英飞凌是全球知名的半导体设计、制造和供应商,其产品广泛应用于各种微电子应用。英飞凌产品系列包括逻辑产品,如数字、混合信号及模拟集成电路以及分立式半导体产品等。
标签: 电源管理IC开发工具 英飞凌
分享到:
郑重声明:本文版权归原作者所有,转载文章仅为传播更多信息之目的,如作者信息标记有误,请第一时间联系我们修改或删除,感谢您的关注!