美信半导体 MAX17612CEVKIT评估套件产品介绍
发布时间:2022-12-08 10:28:00 阅读量:900
导读:美信半导体是Maxim Integrated的中文名,是半导体制造供应商,成立于1983年。公司总部在美国加州。2001年,Maxim并购了Dallas Semiconductor。Maxim的使命是提供极具创新的模拟和混合信号解决方案,为客户的产品提供增值服务。公司在欧洲、亚洲、美国建立分支机构,在中国的办事处有北京、上海、深圳三处。
简介
Maxim MAX17612CEVKIT评估套件是一个用于评估MAX17612C性能的平台,MAX17612C是一款具有反向保护特性并采用10引脚TDFN-EP封装的4.5V至60V限流器。MAX17612CEVKIT在输入端采用TVS二极管,在输出端采用肖特基二极管,并具有经过证实的PCB布局。该器件设计用于演示MAX17612C的各种限流类型和各种限流阈值。
![]()
特性
工作电压范围:4.5V至60V
在输入端采用TVS二极管,在输出端采用肖特基二极管
用于评估三种限流类型和限流阈值
内部UVLO设置为4.2V
应用
状态监测
工厂传感器
工业应用,如PLC、网络控制模块、电池供电模块
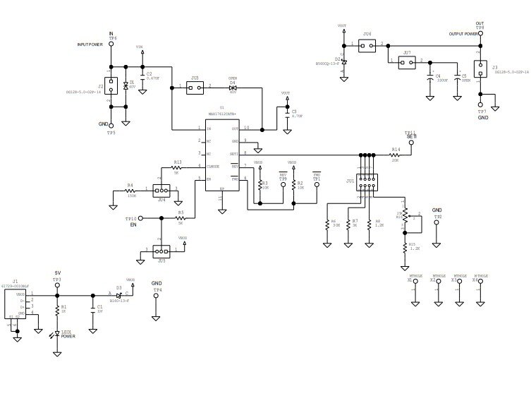
示意图

美信半导体通过模拟集成不仅方便设计,还可加快上市。公司的模拟IC提供额外特性和功能,精心设计用于简化电路和设计。Maxim提供以下产品的解决方案:消费电子、个人电脑及外设、移动设备、无线及光纤通信、测试设备、仪器仪表、视频显示、汽车应用等。Maxim的模拟和混合信号解决方案包括数据转换器、接口电路、射频无线电路、时钟和振荡器、微控制器 (MCU)、运算放大器、传感器等。
标签: 美信半导体 电源管理IC开发工具
郑重声明:本文版权归原作者所有,转载文章仅为传播更多信息之目的,如作者信息标记有误,请第一时间联系我们修改或删除,感谢您的关注!