如何判断电子电路故障?用这8种方法检测
发布时间:2021-11-18 16:21:19 阅读量:2161
电子电路故障排查一般可以通过输入到输入顺序检测,也可以从输出到输入的反向方法检测。如何判断电子电路故障?不管从哪一方向开始,电子电路故障检测一般可以通过下面八种方法判断。
方法一:直接观察
电路发生故障时,通常情况下不会立即去使用仪器测量,而是用肉眼观察去查找电路可能存在的异常部位。而直接观察方法又分为不通电跟通电检测。
不通电检测即检查电源电压的水平跟极性是否符合电路要求;电解电容的极性跟二、三极管的管脚位置、集成电路的引脚位是不是出现虚焊、错焊跟交叉等问题;布线是否存在不合理的地方;印刷板在印制的时候有没有线路出现断线;电阻跟电容有没有明显烧焦问题。
而通电检查主要是观察元器件有没有过热、冒烟和明显焦味,电子管跟示波管的灯丝有没有存在高压打火等问题。
方法二:万用表检测
万用表检测主要是检查静态工作点,其中电子电路的供电系统、三极管、集成块跟线路中的电阻值及直流工作状态可以利用万用表进行检测。检测看是否数值正常。
方法三:信号寻迹法
在复杂的电路中,可以通过在输入端接入一个信号,然后通过示波器从前级到后级或者从后级到前级一个一个观察波形跟幅值变化,很终查看哪一个出现异常。
方法四:对比方法
对比法较为直观,主要是通过将疑似故障电路跟一个工作状态正常的相同电路进行参数对比,查找其中是否存在参数差距较大的值,再进行故障原因分析,很终判断故障位置。
方法五:替换法
对于故障不明显的电子电路,在无法进行直观判断故障点时,可利用现有的相同元件进行替换,通过替换观察电路是否变化,来缩短故障判断时间。
方法六:旁路检查法
如果电路中存在寄生震荡现象,那么就可以利用一定容量的电容器,将电容器跨接在需要检查的地方或参考接地点之间,然后观察震荡是否存在。如果震荡消失,则说明震荡是产生在前级电路或者附近的电路中。如果没有,则往后移动,继续寻找检查点。电容器的选择应该注意旁路电容不要过大,能够较好的消除不利的信号就行。
方法七:短路检查法
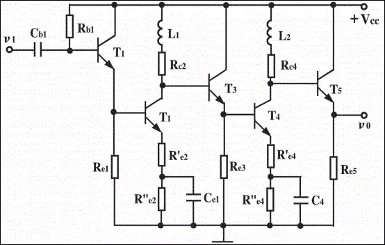
短路检查法是由我们主动制造一个临时的短路,让部分电路出现短路。如下图所示的放大电路,其中万用表测量T2的集电极对地电压为0。那么我们怀疑L1电路出现断路,接下去将L1两端制造临时短路,此时如果VC2的数值正常,则说明故障就在L1上。

“用于分析短路法的放大电路”用于分析短路法的放大电路
需要注意的是,短路法并不能用在电源电路上,切记。
方法八:断路检查法
前面说的短路法用来检查断路是很有效的,同样,用断路法进行短路检查同样很有效。断路检查法的思维与前面几个方法类似,是用来排除怀疑点及缩短范围的方法。假设,稳压电源因为接入一个有故障的电路当中,此时输出电路过大,那么我们依次断开电路的某一部分支路,然后观察电路电流输出情况,从而判断故障出现的支路。
总之,判断故障的方法多种多样,通过不同仪器设备可以灵活应用,这样判断复杂的故障就会更加轻松。相信通过阅读上面的内容,大家对常用的一些电路检测方法有了初步的了解,同时也希望大家在学习过程中,做好总结,这样才能不断提升自己的专业水平。
标签: 电子元件
郑重声明:本文版权归原作者所有,转载文章仅为传播更多信息之目的,如作者信息标记有误,请第一时间联系我们修改或删除,感谢您的关注!