ntc热敏电阻主要用途及注意事项
发布时间:2022-04-07 14:16:17 阅读量:1500
简单来讲NTC热敏电阻指的就是负温度系数热敏电阻,它是一类电阻值随温度增大而减小的一种传感器电阻。是以锰、钴、镍和铜等金属氧化物为主要材料,采用陶瓷工艺制造而成的。这些金属氧化物材料都具有半导体性质,因为在导电方式上完全类似锗、硅等半导体材料。下面主要介绍ntc热敏电阻在电路中的使用方法及用途。
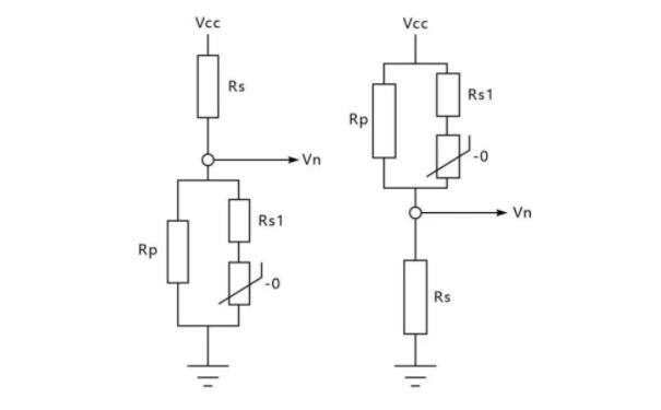
当NTC用来做温度检测,监控或者补偿时,通常需要串联一个电阻,阻值的选择可根据需要重点检测的温度区域和流过的电流大小来决定,一般情况下会串联一个和NTC常温电阻值一样的电阻,并且保证流过的电流要足够小以免产生自热,影响检测精度。检测到的信号是NTC电阻上的分压,如果希望得到分压与温度的曲线更加线性,可以采用下面的电路:

NTC热敏电阻的用途
根据ntc热敏电阻的负系数的特性,ntc被广泛运用在以下场景:
移动通信设备的晶体管、IC、晶体振荡器的温度补偿
充电电池的温度传感
LCD的温度补偿
汽车音响设备 (CD、MD、调谐器) 的温度补偿与传感
各种电路的温度补偿
开关电源、电源电路中抑制浪涌电流
NTC热敏电阻使用注意事项
1、注意NTC热敏电阻的工作温度。
千万不要在NTC热敏电阻工作温度范围以外使用,φ5、φ7、φ9、φ11系列工作温度是-40~+150℃;φ13、φ15、φ20系列的工作温度是-40~+200℃。
2、请注意在额定功率条件下使用NTC热敏电阻。
各规格最大额定功率为:φ5-0.7W、φ7-1.2W、φ9-1.9W、φ11-2.3W、φ13-3W、φ15-3.5W、φ20-4W。
3、在高温高湿环境下使用注意事项。
如果热敏电阻需要使用在高温、高湿环境中,要使用护套型热敏电阻,采取使用保护套封闭部分暴露于环境(水中、湿气)中,而且护套开口部分不会直接接触到水及蒸汽。
4、不能用于有害气体、液体环境。
不要在腐蚀性气体环境以及会接触到电解质液、盐水、酸、碱、有机溶剂的环境中使用。
5、保护好导线。
不要过度拉伸及弯曲导线,请勿施加过度的振动、冲击及压力。
6、远离发热电子元器件。
功率型NTC热敏电阻周围应避免安装易发热的电子元器件,建议使用弯脚上部引线较高的产品,使用NTC热敏电阻在线路板上高出其它元件,以免发热影响其它元件正常工作。
以上便是“ntc热敏电阻主要用途及使用注意事项”的相关内容,希望能对大家有所帮助,我们将于后期带来更多精彩内容。
标签: ntc热敏电阻
郑重声明:本文版权归原作者所有,转载文章仅为传播更多信息之目的,如作者信息标记有误,请第一时间联系我们修改或删除,感谢您的关注!