ADI DC2631A演示电路产品介绍
发布时间:2023-10-12 10:02:00 阅读量:2712
简介
Analog Devices Inc. DC2631A演示电路采用两个LTC7852高效率、高输出电流降压转换器,每个转换器均具有相应的装配类型。这些演示电路可针对输出电压VOUT1和VOUT2提供差分检测。DC2631A演示电路还提供IMON引脚,用于监控每个电源轨的电感电流。用于-A组件的LTC7852转换器提供两个3相输出(1V/100A和1.5V/100A),而-B组件则提供单个6相输出 (1V/200A)。两款转换器均在7V至14V输入电压范围内工作,具有400kHz开关频率。
![]()
特性
针对输出电压VOUT1和VOUT2的差分检测
设有IMON引脚,用于监控每个电源轨的电感电流
可选电阻和跳线,用于改变VOUT1和VOUT2的相位排列
规范
输入电压范围:7V至14V
-A组件:
1V ± 1.5% VOUT1
100A IOUT1
1.5V ± 2% VOUT2
100A IOUT2
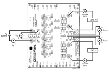
正确的测量设置


标签: 电源管理IC开发工具 亚德诺半导体
分享到:
郑重声明:本文版权归原作者所有,转载文章仅为传播更多信息之目的,如作者信息标记有误,请第一时间联系我们修改或删除,感谢您的关注!