意法半导体 EV-VNHD7008AY评估板产品介绍
发布时间:2021-08-16 12:32:00 阅读量:1323
导读:意法半导体(ST)公司成立于1987年,是意大利SGS半导体公司和法国汤姆逊半导体合并后的新企业,从成立之初至今,ST的增长速度超过了半导体工业的整体增长速度。自1999年起,ST始终是世界十大半导体公司之一。
简介
意法半导体 EV-VNHD7008AY评估板是一个演示和原型设计平台,用于VNHD7008AY半桥电机驱动器。预装EV-VNHD7008AY评估板包括VNHD7008AY驱动器和其他电气元件,支持开发人员直接连接负载、电源和微控制器,无需额外进行外部元件设计和连接。
![]()
特性
简单的单IC应用板,专门用于VNHD7008AY
提供电气连接和散热装置,便于原型设计
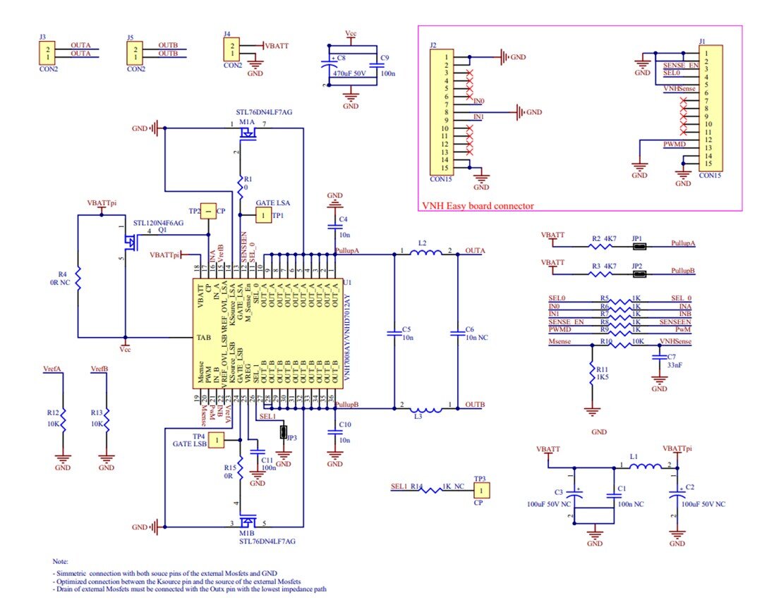
原理图

意法半导体是一家全球知名的独立半导体公司,专注于在微电子应用领域中开发和交付半导体解决方案。意法半导体将硅和系统专业知识、制造能力、知识产权 (IP) 产品组合和战略合作伙伴地位进行无与伦比的组合,在片上系统 (SoC) 技术方面占据着重要地位,其产品在实现当今融合趋势方面发挥着重要作用。
标签: 意法半导体 电源管理IC开发工具
分享到:
郑重声明:本文版权归原作者所有,转载文章仅为传播更多信息之目的,如作者信息标记有误,请第一时间联系我们修改或删除,感谢您的关注!